股票代码  003021
19mm有刷直流电机(高扭矩版)
19mm有刷直流电机(高扭矩版)

19mm有刷直流电机(高扭矩版)

型号:MP1935-01

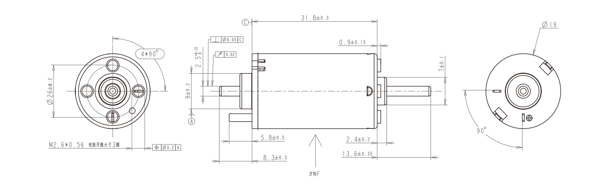
直径:19mm

长度:35mm

额定电压:12V

额定转速:3870±10% rpm

堵转转矩:32±7% mNm

堵转电流:2±10%A

转矩常数:16.70±20% mNm/A

速度常数:480±20% rpm/V

产品参数
电机数据
额定电压下的数据
额定电压(V) 12 /
空载转速(rpm) 5850 ± 10%
空载电流(A) 0.3 Max
额定转速(rpm) 3870 ± 10%
额定转矩(mNm) 11 /
额定电流(A) 0.69 ± 10%
堵转转矩(mNm) 32 ± 7%
堵转电流(A) 2 ± 10%
最大效率(%) 56 /
电机常数
相间电阻(Ω) 6 ± 10%
相间电感(mH) NA ± 10%
转矩常数(mNm/A) 16.7 ± 20%
速度常数(rpm/V) 480 ± 20%
转速/转矩斜度(rpm/mNm) 190 ± 20%
机械时间常数(ms) NA ± 20%
转子惯量(gcm?) 4 ± 20%
19mm有刷直流电机(高扭矩版)
技术插图
19mm有刷直流电机(高扭矩版)
在线留言 MESSAGES



验证码:

39  −    =  36

j9国际站官网首页直达 — 微型驱动系统制造商

专注于研发、生产精密驱动系统,为客户提供智能驱动方案设计,零件的生产与组装的定制化服务

立即咨询  >

粤ICP备11019966号     Copyright ? 2023  深圳市j9国际站官网首页直达机电股份有限公司  

粤ICP备11019966号
Copyright  2023  深圳市j9国际站官网首页直达机电股份有限公司

400-066-2287
服务热线


线

服务热线:400-066-2287
sitemap地图